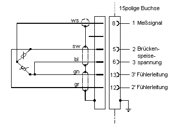
DMS-Halbbrücke

Anschluß an TF-Modul